Ürünler .: Milinox Kurumsal Web Sitesidir.

Geri Dön   /   Ürün Detayları

Toz Aspiratörleri
Centrifugal Fans
  • Tamamen çelik konstrüksiyon'dan imal edilmiştir. Toz aspiratörleri değişik büyüklüklerde ve motor güçlerinde imal edilmektedir. Farklı kapasiteli aspiratörler, un fabrikalarında değişik makina gruplarının aspirasyonunda ve ayrıca irmik sasörlerinin aspirasyonunda da bu tip aspiratörler kullanılır. Firmamızın imal ettiği toz aspiratörlerinin ve pnömatik fanların motorları direkt akuple veya kayış kasnaklı olabilir.
  • Aşağıdaki tablonun üzerine tıklayarak teknik bilgileri daha büyük görüntüleyebilirsiniz...

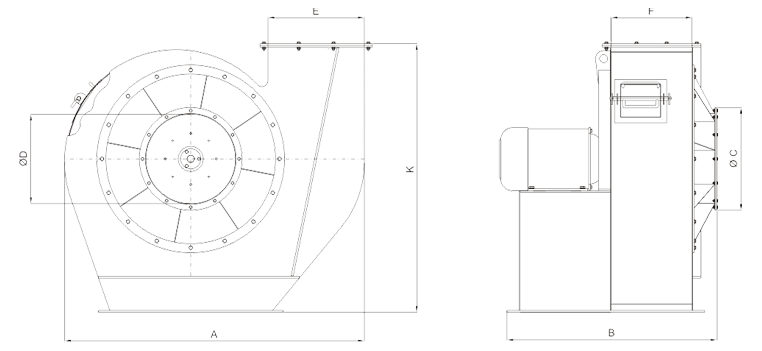
    » Teknik Çizim

    Aşağıdaki tablonun üzerine tıklayarak teknik ölçüleri daha büyük görüntüleyebilirsiniz...